[SOUNDLIGHT LOGO] DMX SOLID STATE RELAISKARTEN


 
Jeder kennt das: ein mechanischer Schalter macht nicht nur ein mechanisches "klack", sondern auch ein elektrisches "knack". Das liegt an zwei Ursachen: erstens kann sich zwischen den Kontakten beim Schalten ein kleiner Lichtbogen ausbilden (und das sind die gefürchtetsten Störungen überhaupt), und zweitens ist der Schaltzeitpunkt rein zufällig: er kann im Spannungsnulldurchgang liegen, aber genauso auch beim Scheitelwert der Netzspannung (und das sind bei 230V eben gute 325V). Dann fließt im Schaltaugenblick natürlich sofort der maximal mögliche Strom; der Übergang von Null auf den Höchstwert ist somit auch die maximale Stromanstiegsgeschwindigkeit und damit eben auch die größte elektrische Störquelle, die man sich denken kann. Die vorhin besprochene Funkenbildung kommt dann gegebenenfalls noch hinzu!

Wie also kann man die Schaltstörungen beseitigen? Am einfachsten natürlich, indem man exakt im Nullpunkt der Wechselspannung schaltet. Dann erfolgt der Stromanstieg mit der normalen Anstiegsgeschwindigkeit der Netzspannung, als Folge gibt es keinen Schaltknack, keine übermässige Beanspruchung der Versorgung und des Verbrauchers, und natürlich auch nicht des Schalters. Die Folge davon ist unter anderem auch, dass Glühlampen viel länger leben, weil der Einschaltstress (die hohe, auch mechanische Belastung des Glühfadens beim Einschalten) wegfällt. Sie kennen das: eine Glühlampe geht ja meist beim Einschalten kaputt... Unsere Solid State Relais sind Halbleiterrelais, die eine elektronische Nullspannungsauswertung enthalten und somit immer im idealen Zeitpunkt schalten.

  You know this: a machanical contact not only generates a mechanical "click", but also a electrical "buzz". There are two reasons for this: first, between the two electrical contacts a small arc may be produced - resulting in interference with voltage, current and radio, and second, the moment of contact closure is random: it could happen at zero voltage crossing (no current with resistive loads) or at peak voltage (maximum current with resistive loads) or anywhere in between. Eventuall, arc generation must be added - a scenario of noise and disturbance.

In order to avoid this trouble, switching at or near zero ac voltage crossing seems to be one of the best solutions. Current will the rise slowly and synchronously in respect to AC voltage, no noise or sparks will be generated. The lifetime of incandescent lamps will be increased, since slower current rise generates less mechanical stress to the filament. You know this: many light bulbs suddenly die when switching on... Our solid state relays are semiconductor based relays containing a zero voltage detector to determine the optimum trigger moment und thus provide silent, noise-free and reliable switching.


 
Weitere technische Information erhalten Sie bei den einzelnen Produkten.

Technische Manuals laden Sie von unserer Seite: BEDIENUNGSANLEITUNGEN
 
Click the individual products for more information.

For technical manuals pls see: MANUALS


3308R-HPDC RDM

[DMX INTERFACE]
 Bild: SSR Relaiskarte 3308R-HP DC
 
 


Sie müssen viele Kanäle schalten? Sie wollen Verbraucher knackfrei schalten? Dann ist diese Schaltkarte möglicherweise die Lösung Ihrer Probleme. Mit nullspannungsgesteuerten und opto-gekoppelten Solid- State-MOSFET-Halbleiterschaltern schaltet dieses Modul insgesamt 8 Ausgänge in beliebiger Kombination. Das kompakte Modul ist mit einem eigenen Netzteil ausgestattet, kann also an Netzspannung 230V betrieben werden. Die Ausgangsstufen können bis zu jeweils 6A bei bis zu 24V DC schalten (Schaltschema: Common Katode, gemeinsamer "-"). Somit sind auch typische 24V-Verbraucher (z.B. SPS-Ansteuerung, Magnetschalter, Ventile, Zylinder, spannungsgesteuerte Hochleistungs-LEDs etc.) sehr einfach zu bedienen. Für induktive Lasten sind Freilaufdioden integriert. Die Ansteuerung der Karte erfolgt über DMX152 oder über DMX RDM, und die 3308R-HPDC RDM ist somit auch über DMX RDM konfigurierbar. Die 3308R-HPDC RDM verfügt über 4 DMX Personalities (Betriebsarten): Einzelkanalmodus, Bitmodus, Schalthysterese, sowie einen "Leitermodus" (VU-Meter Simulation).

WICHTIGER HINWEIS
Diese Karte ist ausschliesslich zum Schalten von Gleichspannung im Bereich von 0-30V DC vorgesehen!

  • DMX SSR RELAISKARTE 3308R-HPDC
  • 8-Kanal
  • USITT DMX512/1990, DMX nach DIN56930-2, ANSI E1-11 DMX512-A, ANSI E1-20 DMX RDM
  • 8 Ausgänge max. 30V DC max. 4A
  • Gesamt-Schaltstrom (alle Ausgänge) max. 16A
  • Ausgangstopologie: Common Katode (gemeinsamer "-")
  • DMX RDM V1.0 kompatibel
  • integrierte Spannungs- und Temperaturüberwachung
  • 4 DMX Personalities: Einzelkanalmodus, Bit-Modus, Leitermodus (VU-Meter)
  • Speisung: 230V AC, ca. 3W
  • Abmessungen: DIN rail 6,5TE
Aktuelle Presseinfos lesen Sie hier, hier und hier.


Für Watershows geeignet: DMX SSR 3308R-HPDC

 


You need to control multiple channels? You need silent DC switching? The the 3308R-HPDC may be the solution to all your problems. Zero-voltage controlled and optically isolated solid state MOSFET power switches control 8 outputs and are capable to switch loads up to 24VDC @ 6A (common cathode wiring, common "-"). The 3308R-HPDC is thus also best suited to drive SPS, solenoids, voltage driven high power LED arrays, and similar applications. The compact module is powered from 230VAC. To drive inductive loads, the decoder features built-in freewheeling diodes. Control is via DMX152 or DMX RDM, and the 3308R-HPDC can be configured using any compatible industry standard RDM controller. The 3308R-HPDC consists of 4 DMX personalities (modes of operation): single channel mode, bit mode, switching hysteresis, and ladder mode (VU-meter simulation).

IMPORTANT NOTICE
This decoder can only drive DC loads, load voltage range is 0...30VDC. Load wiring topology is Common Cathode!

  • DMX SOLID STATE RELAY 3308R-HPDC
  • 8-channel
  • USITT DMX512/1990, DMX DIN56930-2, ANSI E1-11 DMX512-A, ANSI E1-20 DMX RDM
  • 8 outputs max. 30V DC max. 6A
  • Total current (all outputs) max. 16A
  • Output topology: Common Cathode (common "-")
  • DMX RDM V1.0 compatible
  • Integrated voltage and temperature sensors
  • 4 DMX personalities: single channel mode, bit mode, ladder mode
  • Power supply: 230V AC, approx. 3W
  • Dimensions: DIN rail 6,5U
read press releases here, here and here.


3308R-HPDC: optimally suited for water shows

 



WICHTIGER HINWEIS:
Die Konfiguration der Geräte zur DIN Tragschienenmontage kann über DMX RDM erfolgen. Die DMX Startadresse, die DMX Personality und der DMX HOLD Modus können auch mit einem Startadressboard 3000P, 3003P, 3005P oder 3006P erfolgen, das getrennt bestellt werden muss. Es ist für alle Geräte nur einmalig erforderlich und daher nicht im Lieferumfang enthalten.

IMPORTANT NOTICE:
You can configure the interface via DMX RDM. Alternatively, the DMX start address, DMX personality and DMX HOLD mode can be configured using a start address board 3000P, 3003P, 3005P or 3006P. Start address boards can be used for all of our products. They must be purchased separately.



ALLE GERÄTE ORDERN SIE IN UNSEREM WEBSHOP
VISIT OUR WEBSHOP TO ORDER PRODUCTS



HISTORY 3308R-HPDC

Unsere Produkte werden laufend weiterentwickelt. So kommen fortlaufend neue Möglichkeiten hinzu, und neue RDM-Kommandos und Features werden, sobald diese öffentlich verfügbar sind, hinzugefügt.
RELEASE-DATUM   VERSION   RDM VERSION   FEATURES   
130418Mk4.1RDM 3.4Erstrelease
140116Mk4.1RDM 3.10RDM compatibility update



RDM FEATURES 3308R-HPDC RDM (AUSZUG)
    Mehr Informationen über DMX RDM erhalten Sie auf unserer Website www.dmxrdm.eu/rdm, auf der Sie auch eine Erläuterung der SOUNDLIGHT-spezifischen RDM Kommandos finden können. Zum Vergrößern der Abbildungen klicken Sie bitte einfach auf das jeweilige Bild.   For more information regarding DMX RDM pls refer to our website www.dmxrdm.eu/rdm, where you will find application examples as well as a description of the SOUNDLIGHT-specific RDM commands. To enlarge the images, simply click the image.
  MAIN MENU
Alle RDM-Kommandos finden Sie in der RDM-Kommandoliste.
Aufgenommen mit JESE GET/SET RDM CONTROLLER
  MAIN MENU
All RDM commands can be found in the RDM command list.
Recorded using JESE GET/SET RDM CONTROLLER
  DMX EIGENSCHAFTEN
Die RDM-Eigenschaften sind über jeden RDM Controller abrufbar. Im Bild: Startadress- und Personality-Einstellung.
Aufgenommen mit JESE GET/SET RDM CONTROLLER
  DMX PROPERTIES
DMX RDM properties can be read by any RDM controller. Shown: start address and personality settings.
Aufgenommen mit JESE GET/SET RDM CONTROLLER
  LOCK STATE
Wichtige Einstellungen lassen sich passwortgeschützt sichern.
Aufgenommen mit JESE GET/SET RDM CONTROLLER
  LOCK STATE
Important settings can be protected by password.
Aufgenommen mit JESE GET/SET RDM CONTROLLER
  PIN CHANGE
Den PIN-Code für den Zugriff können Sie frei festlegen.
Aufgenommen mit JESE GET/SET RDM CONTROLLER
  PIN CHANGE
The PIN code can be set freely. Don't lose it- or access may be forever locked.
Recorded using JESE GET/SET RDM CONTROLLER
  VERSORGUNGSSPANNUNG
Der Spannungssensor dient zur Überwachung der Betriebsspannung. Er verfügt gleichzeitig über die Möglichkeit des (rückstellbaren) Langzeit-Monitorings (Min/Max).
Aufgenommen mit JESE GET/SET RDM CONTROLLER
  POWER SUPPLY VOLTAGE
The voltage sensor monitors the internal power supply voltage and comprises of a (resettable) long-term recording (Min/Max).
Recorded using JESE GET/SET RDM CONTROLLER
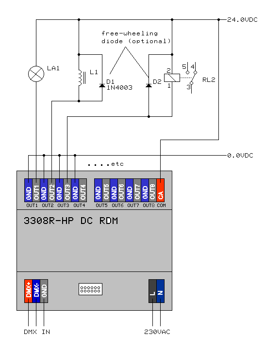
  VERSCHALTUNG
Das Schaltschema zeigt die Verdrahtung der 3308R-HPDC. Die Ausgänge sind zum Schalten von Gleichspannung ausgelegt. Sie enthalten Freilaufdioden, sodass auch induktive Lasten bedient werden können.
  WIRING
Refer to the wiring scheme to connect the 3308R-HPDC. The outputs drive DC loads (typ. 24VDC). The interface is fitted with integrated free-wheeling diodes to drive resistive loads or inductive loads similarly.
  RDM TEST REPORT
Der offizielle RDM Test Report zeigt: die 3308R-HPDC ist 100% RDM kompatibel.
Betriebsstunden-Zähler und Reset-Counter sind bei unseren Interfaces nicht rückstellbar.
Aufgenommen mit OLA RDM Responder Test
  RDM TEST REPORT
The official RDM Test report unveils 100% RDM compatibility.
Since operating hours and startup counters are not resettable, the report issues a advisory message.
Recorded using OLA RDM Responder Test



Mehr Informationen zu DMX RDM und den einzelnen RDM-Kommandos finden Sie auf unserer RDM-Website:
For more information regarding DMX RDM and individual RDM commands pls refer to our RDM website:

www.dmxrdm.eu/rdm

 

Weitere DMX Solid State Relais finden Sie unter:
Find more DMX solid state relais here:

SOLID STATE RELAIS

 




ALLE GERÄTE ORDERN SIE IN UNSEREM WEBSHOP
VISIT OUR WEBSHOP TO ORDER PRODUCTS


zurück zur
back to
[HOME] SOUNDLIGHT HOMEPAGE


Letztes Update: 09.03.2016 (C) SLH 1997-2016