[SOUNDLIGHT LOGO] DMX PWM DRIVER

Kaum etwas erlebt im Augenblick eine so stürmische Entwicklung wie die Leuchtdiode (Light Emitting Diode, LED). Mit den aktuellen Hochstrom-LEDs sind Leuchtdichten zu erreichen, die diese Lichtquellen auch zur Ausleuchtung prädestinieren. Farbige LEDs erzeugen zudem sehr klare und reine Farben, und eignen sich damit optimal zur Farbmischung. Durch das Fehlen jeglicher UV-Anteile im emittierten Licht entfällt das Ausbleichen von Farben ebenso wie das Anziehen von Insekten. Mit LED-Leuchten lassen sich daher auch Kunstwerke, alte Schriften und andere sensible Exponate problemlos in Szene setzen.

Die LED selbst ist ein Halbleiterbauelement, das zur Ansteuerung einen STROM benötigt. LED-Treiber müssen daher über eine STROMRegelung verfügen. Sind die stromeinstellenden Bauteile bereits mit der LED kombiniert, dann (und nur dann!) lassen sich LEDs auch an eine SPANNUNG anschliessen. In diesem Falle ist eine durchgehende Helligkeitssteuerung aber nicht über eine Spannungsänderung möglich, sondern die Spannung muss durch Ein- und Ausschalten getaktet werden. Erfolgt das genügend schnell, sind die jeweiligen Schaltvorgänge nicht mehr sichtbar (so wie die einzelnen Bilder beim Film). Das Verhältnis von "ein" zu "aus" ergibt dann die vom Auge wahrgenommene Helligkeit - man nennt das Verfahren PWM (pulse width modulation, Pulsweitenmodulation). Hier handelt es de facto sich um eine PWM-Dimmung.

  Hardly anything is experiencing such a rapid development as the LED (Light Emitting Diode, LED). Using the latest high current LEDs, light densities can be reached, which make these light sources the preferred choice for illumination purposes. Colored LEDs also produce very clear and pure colors, and are thus ideally suited for color mixing. Due to the absence of any UV components in the emitted light the bleaching of colors is eliminated, and LED light does not attract insects. LED lighting ist the best choice to illuminate works of art, ancient writings and other sensitive exhibits.

The LED itself is a semiconductor device that requires a precise driving current. The LED driver must therefore provide a current regulation. If the current limiting device is already combined with the LED, then (and only then!) LEDs can be connected directly to a voltage source. In this case, a continuous Brightness control cannot be effected by a voltage change, but only by switching the power supply on and off (at high speed). If this is repeatred fast enough, the individual switching operations are no longer visible to the eye (just like the pictures in the film). The ratio of "on" and "off" is then perceiced as changing brightness - this method is called "PWM" (Pulse Width Modulation). It is de facto a PWM Dimming, and is called "CV" (Constant Voltage) dimming.


 
Weitere technische Information erhalten Sie bei den einzelnen Produkten.
Technische Manuals laden Sie von unserer Seite: BEDIENUNGSANLEITUNGEN
 
For more technical information refer to the individual product pages.
Load technical manuals from our website: MANUALS


3604PWM-H  

[DMX INTERFACE]  


LED- KRAFTWERK

Kaum zu glauben und optimal für Schaltanlagen: 4 Hochleistungs-Steuerkanäle in nur 4 TE Installationsbreite. Bis zu 300W Leistung liefert das Modul bei 24V Versorgungsspannung. Mit der 3604PWM-H lassen sich alle spannungsgesteuerten LED-Baugruppen bedienen, gleich welchen Fabrikats. Gemeinsames Kennzeichen: Spannungsversorgung zwischen 12 und 24V, und bei mehreren angeschlossenen LEDs muss eine gemeinsame Anode vorhanden sein (gemeinsamer „+“ für alle LEDs). Für ein augenfreundliches Verhalten sorgt die integrierte High-Speed PWM-Steuerung mit einer Frequenz von 240 Hz. Damit Sie einen Vergleich haben: das ist etwa viermal schneller, als die beste Einstellung, die Sie an Ihrem PC für einen flickerfreien Bildschirm vornehmen können. Und für den optimalen DMXEmpfang haben wir auch etwas getan: obwohl aufwändiger und deutlich teurer, bestücken wir unsere Baugruppen mit speziellen SLR-Empfängern, die über eine erhöhte Störsicherheit und verbesserte Empfangseigenschaften verfügen. Gleichzeitig belasten sie den DMX-Bus nur mit einem Viertel der Last eines konventionellen Schaltkreises – das kommt der Performance Ihrer gesamten Anlage zugute.

  • DMX PWM DRIVER für spannungsgesteuerte LEDs
  • 4-Kanal
  • DMX512/1990, DMX512-A, DIN56930-2, DMX RDM
  • Betriebsspannung: 12...24VDC
  • 4 Ausgänge 0...+12(24)V, max. 3A pro Ausgang
  • Abmessungen: DIN Rail, 4TE
  • ANSI E1-20 DMX RDM V1.0 kompatibel
  • 4 DMX Personalities
  • Spannungsüberwachung, per DMX RDM auslesbar
  • augenfreundliche quasi-logarithmische Kennlinie
  • RDM Identify, Passwortschutz, HOLD-Level speicherbar
  • zahlreiche zusätzliche RDM-Funktionen
 


LED POWERHORSE

Best suited for installation in electrical power distribution cabinets: 4 high power outputs in just 4 installation slots (width units). The decoder can supply up to 300 watts of power using a 24VDC supply. The 3604PWM-H can drive all constant voltage (CV) LED modules and LED assemblies of any type and make. Common features are same voltage (12VDC or 24VDC will work), and common anode wiring topology (common „+“ used for all LEDs). The eye-friendly dimming results from high output frequency (244 Hz used), high output resolution (12 bit dimming), and a quasi-logarithmit output curve, which matches the human eye's sensitivity.
Combined with excellent DMX performance thanks to special SLR receiver chips to guarantee extended noise immunity and improved signal reception, full administration and monitoring capabilities due to advanced DMX RDM technology and lots of user configuration options, the 3604PWM-H will be undoubtedly be your best choice to drive CV LEDs -we're sure!

  • DMX PWM DRIVER for voltage controlled LEDs
  • 4-channel
  • DMX512/1990, DMX512-A, DIN56930-2, DMX RDM
  • DMX input fed-thru
  • Operating voltage: 12...24VDC
  • 4 outputs 0...+12(24)V, max. 3A per output
  • Topology: Common Anode
  • Dimensions: DIN Rail, 4 units width
  • ANSI E1-20 DMX RDM V1.0 compatible
  • 4 DMX Personalities
  • Power supply monitoring, DMX RDM readable
  • Eye-friendly quasi-logarithmic curve
  • 3 output frequencies selectable
  • Output linear or quasi-logarithmic
  • Output smoothing: 3 characteristics selectable
  • RDM Identify, Password, HOLD-Level
  • Slot-Labels and Device Label can be edited
  • several additional RDM functions
 



Alle Eigenschaftem der Geräte für DIN Tragschienenmontage können über DMX RDM konfiguriert werden. Die DMX Startadresse, die DMX Personality und der DMX HOLD Modus können auch mit einem Startadressboard 3000P, 3003P, 3005P oder 3006P erfolgen, das getrennt bestellt werden muss. Es ist für alle Geräte nur einmalig erforderlich und daher nicht im Lieferumfang enthalten.

You can configure the interface properties via DMX RDM. Alternatively, the DMX start address, DMX personality and DMX HOLD mode can be configured using a start address board 3000P, 3003P,  3005P or 3006P. Start address boards can be used for all of our products. They must be purchased separately.


ALLE GERÄTE ORDERN SIE IN UNSEREM WEBSHOP

PLS VISIT OUR WEBSHOP TO ORDER
RDM   Die aktuelle Version der 3604PWM-H ist DMX RDM kompatibel. Damit stehen Ihnen zahlreiche Möglichkeiten zur Verfügung, das Interface zu konfigurieren und zu administrieren.   The current version of the 3604PWM-H is fully DMX RDM compatible. This gives you a wealth of options to configure and administer the DMX decoder.
         
RDM   RDM-Geräte sind durchaus drahtlos einsetzbar - etwa auf einer Gebäudefassade, die darhtlos gesteuert werden soll. Hier sehen Sie den Startbildschirm der DMX RDM-Erkennung über eine DMX Funkstrecke..

Aufgenommen mit CRMX Nova Controller

Zum Vergrössern der Darstellung auf das Bild klicken

  RDM decoders can readily be used in wireless DMX applications. Think of a big facade illumination, theatre application or show production. This is the start screen of a wireless DMX link.

Recorded using CRMX Nova Controller

Click onto the image to enlarge

RDM   DMX Startadresse und DMX Personality sind per Startadressboard oder über DMX RDM einstellbar. Das Gerät ist auf 4-Kanal Modus, 2-Kanal Modus oder 1-Kanal-Modus konfigurierbar.

Aufgenommen mit Enttec RDM Controller

Zum Vergrössern der Darstellung auf das Bild klicken

  DMX start address and DMX personality can be set via a start address board or via DMX RDM. The decoder can be configured to 4-channel mode, 2-channel mode or 1-channel mode.

Recorded using Enttec RDM Controller

Click onto the image to enlarge

RDM   Das Signalverhalten, die Kurvenform und die Ausgangsfrequenzen lassen sich komfortabel über ein RDM-Menü verwalten. Der 3604PWM-H unterstützt bereits jetzt die neuen E1-37 RDM Zusatzbefehle.

Aufgenommen mit JESE GET/SET Controller

Zum Vergrössern der Darstellung auf das Bild klicken

  Signal behaviour, output curve characteristic and output frequency can be set using a comfortable RDM menu. The 3604PWM-H support many additional E1-37 RDM commands.

Recorded using JESE GET/SET Controller

Click onto the image to enlarge

RDM   Integrierte Sensoren berichten über Versorgungsspannung und Gerätetemperatur. Außerdem können Betriebsstunden und Gerätetstarts, Fehlerzähler u.v.m. ausgelesen werden. So ist jederzeit eine lückenlose Ferndiagnose möglich, ohna dass man einen Schraubendreher in die Hand nehmen oder eine Leiter anstellen müsste.

Aufgenommen mit JESE GET/SET Controller

Zum Vergrössern der Darstellung auf das Bild klicken

  Integrated sensors monitor supply voltage and device temperature. Device hours and startup count, error counter and more can be read at your option. This allows perfect remote device monitoring.

Recorded using JESE GET/SET Controller

Click onto the image to enlarge

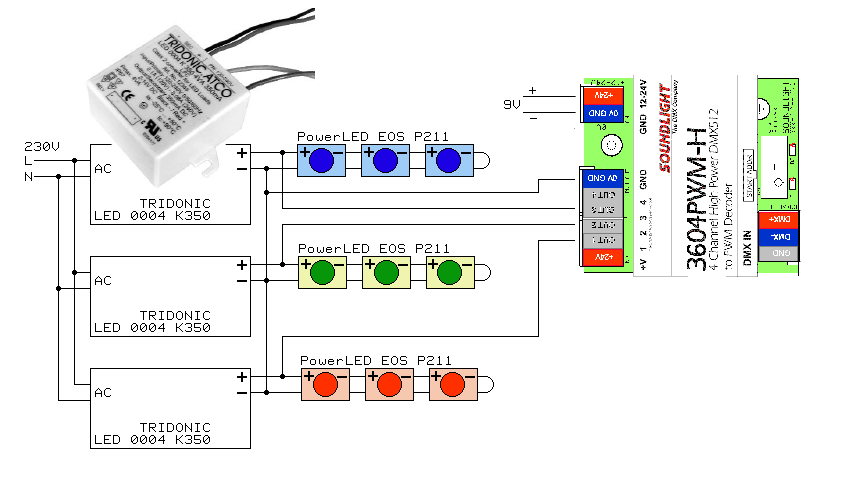
RDM   Die Anschaltung von LEDs zeigt die nebenstehende Darstellung. Es können spannungsgesteuerte LEDs angeschlossen werden, wobei die Betriebsspannung der LED-Spannung entsprechen sollte. Geeignet sind alle handelsüblichen LED-Assemblies mit gemeinsamer Anode und 8V, 12V oder 24V Betriebsspannung.

Zum Vergrössern der Darstellung auf das Bild klicken

  The diagram shows how to connect LEDs. The 3604PWM-H supports voltage driven LEDs (CV). The decoder supply voltage must match the required LED voltage. All commonlay available common-anode based LEDs or LED arrays using a 12V or 24V psu can be used.

Click onto the image to enlarge

RDM   Stromgesteuerte LEDs können hier nicht direkt angeschlossen werden; sie erfordern eine Strombegrenzung oder strombegrenzende Netzteile. Strombegrenzer werden von verschiedenen Herstellern angeboten. Das Schaltschema zeigt ein Beispiel, wie diese installiert werden müssen.

Zum Vergrössern der Darstellung auf das Bild klicken

  Current controlled LEDs (CC) cannot be driven directly. Current limiters are available from various manufacturers. Pls refer to the schematic how to connect the current limiting circuitry (schematic only- pls refer to manufacturers instructions!)

Click onto the image to enlarge

RDM   Die uneingeschränkte DMX RDM Kompatibilität des Decoders wird durch den OLA Test Report belegt.
Betriebsstunden- und Startup-Zähler sind bei unseren Interfaces (aus gutem Grund) nicht rückstellbar.

Zum Vergrössern der Darstellung auf das Bild klicken

  Full DMX RDM compatibility is proven by the succesful OLA test.
For obvious reasons, or products do not allow to reset device hours and startup counters (no SET command allowed).

Click onto the image to enlarge

RDM   Die uneingeschränkte DMX RDM Kompatibilität des Decoders wird auch durch den RDM Conformity Test belegt.
Alle 314 Tests bestanden: na bitte, geht doch!

Zum Vergrössern der Darstellung auf das Bild klicken

  Full DMX RDM compatibility is also proven by the RDM conformity test software.
All 314 tests are passed succesfully.

Click onto the image to enlarge




HISTORY 3604PWM-H

Unsere Produkte werden laufend weiterentwickelt. So kommen fortlaufend neue Möglichkeiten hinzu, und neue RDM-Kommandos und Features werden, sobald diese öffentlich verfügbar sind, hinzugefügt.
RELEASE-DATUM   VERSION   RDM VERSION   FEATURES   
100811Mk1.2RDM 2.2Antwortfehler berichtigt, Queued_Msg neu hinzu
   GET SLOT INFO: NACK bei zu hoher Parametereingabe
   GET SENSOR: NACK bei zu hoher Parametereingabe
   SET START ADDRESS: NACK bei zu hoher Parametereingabe
   GET DEVICE INFO: Startadresse berichtigt
101123Mk1.4RDM 2.4zusätzliche E1-37 Funktionen aktiviert
110113Mk1.5RDM 2.4E8-37, Identify berichtigt, Support für 3003P_Mk3
120220Mk1.5RDM 3.0E1-37 Funktionen neu hinzu
120412Mk3.5RDM 3.1Sensor Korrektur
130403Mk2.1RDM 3.4Neue Platine, Startadressfehler berichtigt, Min/Max hinzu, Displaylevel, PWM-Frequenzen wählbar
130909Mk2.2RDM 3.8Neu hinzu: 5 Outresponse-Charakteristika, 16Bit DMX Modus
140711Mk2.3RDM 3.12drei Outresponse-Modi reduziert
150325Mk2.4RDM 4.0Atomic Access re-written
160617Mk2.4RDM 4.5RDM Update, neue Adressboard-Schnittstelle, Min/Max Level werden auch als 16 Bit übenommen






zurück zur [HOME] SOUNDLIGHT HOMEPAGE

Letztes Update: 17.06.2016 (C) SLH 1997-2016